概述
JKCPS系列控制與保護開關電器是在單一結構的產品上實現集成化、內部協調配合的控制與保護功能,能夠替代斷路器(熔斷器)、接觸器、過載(或過流、斷相)保護繼電器、起動器、隔離器等多種傳統的分離元器件,具有遠距離自動控制與就地人力控制兼有的方式進行控制操作的功能,具有協調配合的時間-電流保護特性,具有控制與保護配合、短路后連續運行,具有分斷能力高、飛弧距離小、壽命長,具有保護整定電流均可調的特性,操作方便、配套附件模塊多樣齊全等優點,可以實現對電動機負載、配電負載的控制和保護。
多功能電器的出現從根本上解決了傳統的采用分立元器件(通常是斷路器或熔斷器+接觸器+過載繼電器),由于選擇不合理而引起的控制和保護配合不合理的種種問題,特別是克服了由于采用不同考核標準的電器產品之間組合在一起時,保護特性與控制特性配合不協調的現象,極大地提高了控制與保護系統的運行可靠性和連續運行性能。
JKCPS 系列控制與保護開關電器**代產品體積比較大,保護采用的雙金屬片技術。第二代產品盡管解決了體積大的問題,但保護技術沒有什么大的突破。隨著微電子技術在低壓電器行業的應用日益擴大和加深,本公司以新型的微電子技術為基礎,走高端產品設計之路,投巨資開發具有國際先進水平的產品,匯集了分立元件的優點,功能齊全,性能可靠,為低壓配電和控制系統的簡化及優化提供了一種基礎元件。
型號及含義

產品分類
1、按工作原理分為:電子脫扣器、智能脫扣器
2、按保護對象分為:電動機保護、配電保護
3、按操作頻率分為:頻繁操作、不頻繁操作
4、按接線方式分為:板前、板后、插入式
功能與用途
JKCPS采用模塊化的單一產品結構型式,集成了傳統的斷路器(熔斷器)、接觸器、過載(或過流、斷相)保護繼電器、起動器、隔離器等主要功能,具有遠距離自動控制與就地人力控制功能,具有面板指示及機電信號報警功能,具有過壓欠壓保護功能,具有斷相缺相保護功能,具有協調配合的時間–電流保護特性(具有反時限、定時限和瞬時三段保護特性)。根據需要選配功能模塊或附件,即可實現對各類電動機負載、配電負載的控制與保護。
JKCPS主要用于交流50Hz(6OHz)、額定電壓至69OV、額定電流自1A至125A.可調工作電流自0.4A至10OA的電力系統中接通、承載和分斷正常條件(包括規定的過載條件)下的電流,且能夠接通、承載并分斷規定的非正常條件(如短路)下的電流。
適用領域
由于JKCPS系列產品具有控制與保護功能集成化、模塊化、小型化結構,對環境污染的防護等級高,分斷短路電流能力高,飛弧距離短,電壽命長,保護功能齊全,連續運行性能和可靠性高,安裝使用及維修操作方便等一系列優點,因此特別適用以下系統:
1、治金、煤礦、鋼鐵、石化、港口、船舶、鐵路等領域的配電和電動機保護與控制系統;
2、現代化建筑中的照明、電源轉換、泵、風機、空調、消防、照明等電氣控制與保護系列;
3、電動機控制中心(MMC),尤其是智能化電控系統或要求額定運行分斷能力Ics高達80kA的配電控制與保護系統:
4、工廠或車間的單電機控制與保護系統;
5、遠程控制照明系統。
產品主要特點
與分離電器構成的系統相比(見下表)
1、具有控制與保護自配合的特性
JKCPS系列控制與保護開關電器集控制與保護功能于一體,相當于斷路器(熔斷器)+接觸器+熱繼電器+輔助電器。很好的解決了分離元件不能或很難解決的元件之間的保護與控制特性匹配問題,使保護與控制特性配合更完善合理(具有反時限、定時限和瞬時三段保護特性),只要根據負載功率或電流即可正確選擇單一產品,代替以往的包括自電源進線至負載端的各種電器,不需降容;大大減輕了設計人員的工作量。
2、具有無可比擬的運行可靠性和系統的連續運行性能
JKCPS在分斷短路電流后無需維護即可投入使用,即具有分斷短路故障后的連續運行性能:JKCPS在進行了分斷短路電流試驗后,仍具有600O次以上的AC-44電壽命,這是由斷路器等分離器件構成的系統所難以達到的,JKCPS的這一特性極大地提高了系統的運行可靠性和系統的連續運行性能,其中的運行短路分斷能力lcs為 80kA指標屬同類產品的國際**、國內良好指標。

外形尺寸

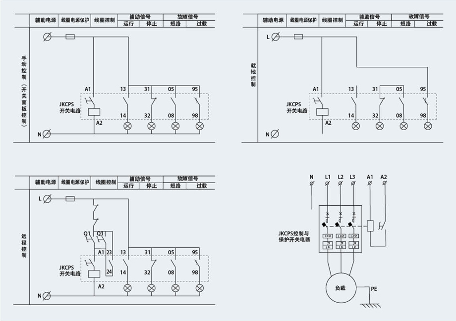
電氣控制圖














